微差压表
发布时间:2019-11-27 09:48浏览次数:
之前文章中给大家介绍过微压表,又名膜盒压力表。它的名字和压力大小无直接关系。今天给大家补充一种压力表,名字和微压表很接近,不好区分的另外一种压力表,它就是微差压表。
应用
微差压表是医药行业GMP认证专用仪表;被广泛应用于测量风扇和鼓风机的压力、过滤器阻力、风速、炉压、孔板差压、气泡水位及液体放大器或液压系统压力等,同时也用于燃烧过程中的空气煤气比值控制及自动阀控制,以及医疗保健设备中的血压和呼吸压力监测。适用行业:医疗卫生、微电子、航天航空、环保工程、生物工程、制药、楼宇智能、暖通空调、食品饮料、***电子加工;也是测量药厂、电子厂洁净室洁净厂房的正负压差,暖通空调,净化空调,净化台风淋室专用表,洁净空调过滤网压差的检测等。
量程范围
常规量程被粗略统计为80种左右。概括总结就是全量程在30kPa以内的正压表或者复合量程压力表如(0~30)kPa,(-15~15)kPa及更小量程的压力表被统称为微差压表。
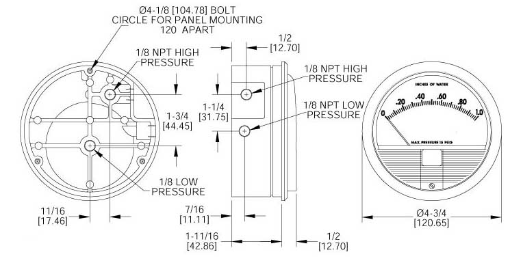
原理图

年检校准
年检校准的基本要求校准应满足的基本要求如下:
1.环境条件校准如在检定(校准)室进行,则环境条件应满足实验室要求的温度、湿度等规定。校准如在现场进行,则环境条件以能满足仪表现场使用的条件为准。
2.压力表校准可以根据现场情况向专业从事压力计量检测生产的厂家(如:北京2024澳门原料网)咨询配置,购买设备之后,向所在地市场监督管理局计量科申请建标,审批过后就可以对单位内部仪表进行内部检定,只需要定期把标准器送往地方计量所或者第三方校准单位出检定证书即可。也可以把被检设备送往地方计量所或者第三方校准服务单位进行检定,前提送检单位必须得有***颁发的CNAS计量资质。
3.仪器作为校准用的标准仪器其误差限应是被校表误差限的1/3~1/10。(具体情况具体分析,或根据地方计量单位建议进行计算)
4.人员校准虽不同于检定,但进行校准的人员也应经有效的考核,并取得相应的合格证书,只有持证人员方呆出具校准证书和校准报告,也只有这种证书和报告才认为是有效的。
工作原理
气体微差压表是利用螺旋磁偶合技术,采用橡胶膜片做为敏感元件的弹性式差压仪表,当差压(包括正压、负压)作用于由膜片隔离的两个压腔时,膜片产生变形而使中心部分位移,带动装有磁钢调整量程的片簧移动,经磁偶合使螺旋轴转动,同时指针随轴一起转动,在仪表的刻度盘上指示压差值,从而达到测量差压的目的。
通过利用简单、无摩擦的磁体螺旋运动,以橡胶膜片作为敏感元件而进行测量工作的弹性式压力表,它能利用指针迅速指示出被测气体的压力,无论是正压、负压或差压。这样就具有防震、摇动和过压的功能。而且表内无需充注液体,也就没有气化、冻结、异味的问题出现。
上一篇:压力传感器的工作原理
下一篇:压力表是怎样选择的
- 2026-04-08
从一台HSIN6800全自动压力校验系统开始,书写2024澳门原料网十年计量之路 - 2026-04-01
高效溯源:2024澳门原料网温度校验仪在制药与冷链的全场景校准应用 - 2026-03-25
校验压力不用愁,有HSIN6000T全自动压力校验系统为你保驾护航! - 2025-12-26
台式压力泵干嘛用的 - 2025-12-19
血压计检定仪使用方法 - 2025-12-19
压力表校验台厂家有哪些 - 2025-10-30
液位计检定装置生产厂家有哪些 - 2025-10-27
HSIN685智能数字压力校验仪如何让“现场校准”更高效? - 2025-10-27
压力校验仪有哪几种 - 2025-09-18
告别来回折腾!HSIN6000A全自动集成压力校验台搞定所有压力场景


